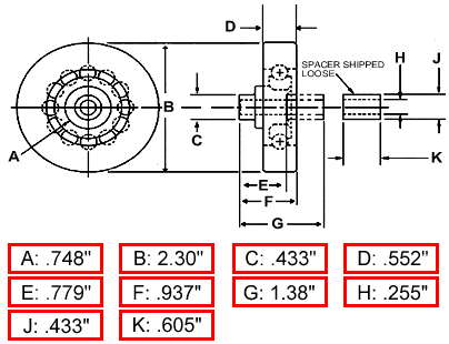
WB# CU2345/1
Autoflex™ Side Guide Wheel