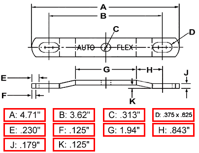
WB# 9994
Autoflex™ Side Link (A)